Zhejiang Guanyu Stainless Steel Tube Co., Ltd  
  Directory | Useful Tool | Sitemap | Contact US | Home

         

Surface

Surface Finish Texture Symbols




EN ISO 1302:2002 Geometrical product specifications (GPS). Indication of surface texture in technical product documentation

General indication of surface texture on drawing

For notes on surface roughness use link Surface Roughness Notes

Requirement for machining


Direction of lay


Machining Allowance


The Symbol indicates the surface finish requirements and shows a machining allowance requirement of 3mm on all surfaces.  


Symbol for surface texture all component surfaces


The Symbol indicates that all of the component surfaces are to be machined...


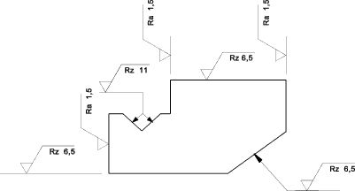
Location of Surface Texture Symbols


The shows typical locations for surface texture symbols



Stainless Steel Tubing, Nickel Alloy Tubing, Brass Alloy Tubing, Copper Nickel Pipe Material Grades


TubingChina.com All Rights Reserved

Directory | Standard | Heat | Heat Exchanger | Temperature | Pressure | Corrosion | Hardness | Surface | Properties | Select Stainless Steel | Contact US

Useful Tools:

Stainless Steel Weight Calculator
Metals Weight Calculator
Nickel Alloy Weight Calculator
Copper Brass Alloy Weight Calculator
Copper Brass Alloy Sheet Plate Weight Calculator
Sheet Plate Weight Calculator
Hardness Conversion Calculator
Hardness Conversion Chart
Rockwell Brinell Vickers Shore Hardness Conversion Chart
Conversion Calculator
Length Weight Temperature Volume Pressure Calculater
Pipe Working Pressure Calculator
Pressure Conversion Converter
Round Bar Size Calculator
Gauge Sizes
Sheet Metal Gauge
Pipe Schedule
Nominal Pipe Size
ANSI Pipe Chart
Inch to mm Chart
Stainless Steel Pipe Sizes
Stainless Steel Tubing Sizes Chart
Stainless Steel L H Grade
Stainless Steel Density
Conversion of Stainless Steel
Nickel Alloy Grades Comparison Material Grade Chart Carbon Steel
Structural Steel Comparison Chart



Main Products:

BA Tube | AP Tube
Condenser Tubes Tubing
Stainless Steel Reheater Tube Superheater Tubes
Stainless Steel U bend Tube
Nickel Alloy U bend Tubes
Copper Alloy U Bend Tubes
Heat Exchanger Tube
Super Duplex Pipe
Nickel Alloy Tube
Brass Alloy Tubing
Copper Nickel Alloys Tubes
Stainless Steel Hollow Tube
Stainless Steel Oval Tubing
Stainless Steel Square Tubing
Stainless Steel Rectangular Tubing
Stainless Steel Capillary Tube
Duplex Stainless Steel Pipe
Seamless Stainless Steel Tubing
Corrugated Stainless Steel Tubing
Stainless Steel Twisted Tube
Polishing Stainless Steel Tubing
Stainless Steel Aircraft Tube
Stainless Steel Hydraulic Tubing
Stainless Steel Instrumentation Tubing
Stainless Steel Angle Iron Bar
Stainless Steel Mechanical Tube
Bright Annealing Stainless Tube
Heat resistant Stainless Steel
Stainless Steel Welded Pipe
Extruded Serrated Finned Tubes Integral Finned Tubes / Extruded Aluminum Finned Tubes
Brass Alloys Copper Nickel Alloy Integral Low Finned Tubes
HFW High Frequency Welded Helical Spiral Serrated Finned Tubes
Corrosion Resistant Stainless Steel
Corrosion Resistance Stainless Steel

Stainless Steel Tubing Pipe

304 Stainless Steel Pipe
304L Stainless Steel Pipe
304H Stainless Steel Pipe
304/304L Stainless Steel Tubing
309S Stainless Steel Pipe
310S Stainless Steel Pipe
316L Stainless Steel Tubing
316Ti Stainless Steel Tube
317L Stainless Steel Pipe
321 321H Stainless Steel
347 347H Stainless Steel
904L N08094 Seamless Tubes
17-4 PH 630 UNS S17400 Stainless Steel
253MA S30815 Stainless Steel Tube
S31254 254 SMO Pipe
S31803 Stainless Steel
2205 Duplex Pipe Tubing
S32101 Stainless Steel
S32304 Stainless Steel
2507 Super Duplex Pipe
S32750 Super Duplex Pipe
S32760 Super Duplex Steel
1.4462 Stainless Steel Pipe
ASTM A213 | ASTM A269
ASTM A312 | ASTM A511
ASTM A789 | ASTM A790
ASTM B161 / ASME SB 161 | ASTM B111
EN 10216-5
ASTM A789 ASME SA 789 S31803 S32205 S32101 S32750 S32760 S32304 S31500 S31260 Seamless Tubes
EN 10216-5 1.4462 1.4362 1.4162 1.4410 1.4501 Seamless Tubes
Nickel Alloy Tubing:

UNS N08020 Alloy 20 Tubing
UNS N02200 Alloy 200 Tube
UNS N02201 Alloy 201 Pipe
UNS N04400 Monel 400 Tubing
N06600 Inconel 600 Tube
N06601 Inconel 601 Tubing
N06625 Inconel 625 Tubes
N08800 Incoloy 800 Tube
N08810 Incoloy 800H Tube
N08811 Incoloy 800HT Tubing
UNS N08825 Incoloy 825 Pipe
ASTM B622 N10276 C276 Tubing
ASTM B622 N06022 Hastelloy C-22 Alloy Tubes
C28000 Brass Seamless Tubes C44300 Brass Seamless Tubes
C68700 Brass Seamless Tubes
C70600 Copper Nickel Tubes
C71500 Copper Nickel Tubes
DIN 2391 Seamless Precision Steel Tubes
EN 10305-1 E215 E235 E355 Seamless Precision Steel Tube Tubing Tubes
DIN 2393 St28 St34.2 St37.2 St44.2 St52.3 Welded Precision Steel Tubes
EN 10305-2 E195 E235 E355 Welded Cold Drawn Precision Steel Tube